Product Description
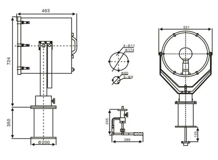
1. Equipped focus nut under the light shell,can adjust lighting focus.
2. The lampshade is transparent safe toughened glass,sphere toughened glass reflector,can send the intensity light-bean which is concentrated.
3. The light body Can remote for 180degree horizontally,and pitching 30degree by the joysticker
Main Specification
| Type | Voltage | Power | Lamp holder | Illuminant | Luminous Flux | Material | Protection class |
Cable outside diameter |
Weight | Annex |
| CTG3 | DC110V AC220V |
1000W | E40/GY16 | Incadescent focus bulb Tungsten halogen lamp |
17000 | Steel | IP56 | Φ10-Φ12 | 47.5kg | Lifter |
| CTG3-A | 1000W | E40/GY16 | 17000 | Steel | IP56 | Φ10-Φ12 | 82kg | Contreller |
