Product
Navigation Signal Light
Marine Fluorescent Light
Marine Incandescent Light
Flood Light Search Light
Explosion Proof Light
Marine Electrical Connectors
Bulbs and Lamp
LifeBuoy Light
Accessories
Application
About ZHIYUE
Company Profile
Factory
Support
OEM/ODM
Download
Service
Blog
Contact
Home
Product
Marine Electrical Connectors
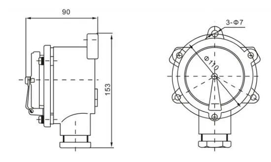
MARINE WATERTIGHT SOCKET Z-2MA
IMPA
792807
Material
Synthestic Resin
Protection Class
IP56
Standard
JISF8832/8833
Rated Voltage
3P+E 250V
Contact Us
Download
Product Filter
Navigation Signal Light
Marine Fluorescent Light
Marine Incandescent Light
Flood Light Search Light
Explosion Proof Light
Marine Electrical Connectors
Bulbs and Lamp
LifeBuoy Light
Accessories
Description
Current: 15A
Cable Outside Diameter: Φ18-Φ20
Main Specification
Related Products
Marine Navigation Signal Light CXH1-3
Aqua Signal Navigation Lights CXH1-3P
Panama Steering Light CXH7
Marine Flashing Light CXH14
Latest News
Learn More
2025.03.27
Zhiyue Group won the top 100 enterprises
2015 is Zhiyue people struggle for a year, is the receipt of the year, Yueqing Municipal People's Government awarded us a number of honors, won the title of the top 100 enterprises in the year, won th
Warm congratulations to Zhiyue Group for being awarded the title of high-tech enterprise!
03.27
Vacuum Circuit Breaker Technology and Application: The Key to Enhancing ......
03.10
We offer discounts for bulk orders, contact us for details!
One-stop solution for ship equipment selection, procurement and compliance
Consult Now
GET A QUOTE
GET IN TOUCH NOW
Send Message
Inquiry is being submitted, please wait...
We value your privacy
We use cookies to provide you with a better online experience, analyse and measure website usage, and assist in our marketing efforts.
Accept All