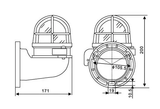
Product Description
Fit for illumination for the ships with water dripping, water spattering, water coagulating and weather place, such as oven cabin, dry cabin, pipe tunnel and weather deck etc.
Main Specification

Material: Synthetic Resin
Lampholder: FB15
Color: Transparent, Red, Green
IMPA code:7 92067