Product Description
1. Used for illumination for the ships with water dripping,water spattering,water coagulating and weather place,such as oven cabin,dry cabin,pipe tunnel and weather deck etc.
2. The structure of light is simple, has good waterproof function,with different colors
Main Specification
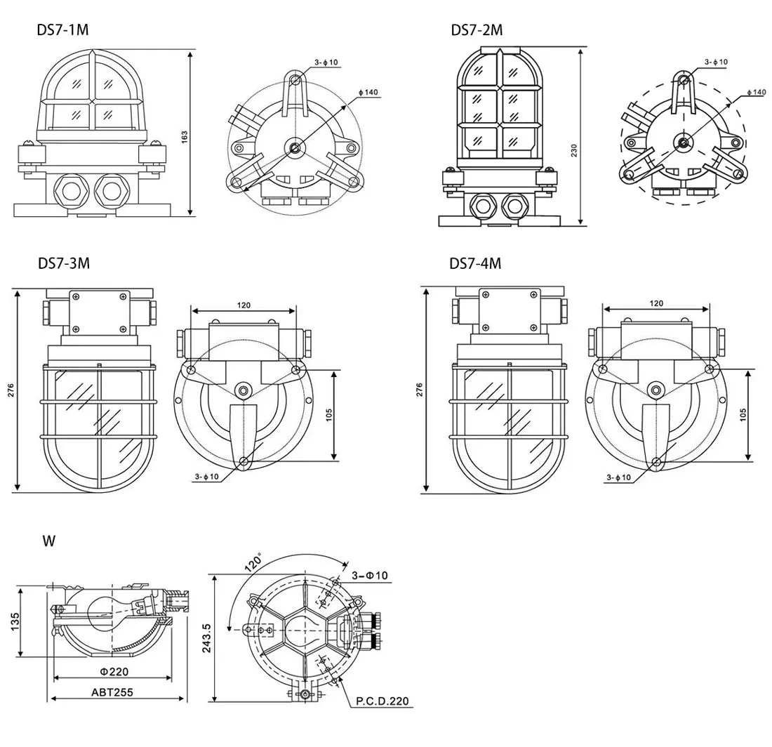
| Model | DS7-1M | DS7-2M | DS7-3M | DS7-4M | W |
| Material | Synthetic Resin | Synthetic Resin | Synthetic Resin | Synthetic Resin | Synthetic Resin |
| Voltage | 24V | 220V | 220V | 220V | 220V |
| Power | 15W | 60W | 100W | 200W | 60W |
| Lampholder | FB15 | E27 | E27 | E27 | E27 |
| Color | Transparent,Red,Green | Transparent,Red,Green | Transparent,Red,Green | Transparent,Red,Green | Transparent |
| IMPA Code | 792,053,792,054 | 792,057,792,058 | 792,059,792,060 | 792,061,792,062 | 792066 |
